18MM夹板灯
-
产品参数:
●产品型号:TX-C35
●输入电压:12V
●感应方式:触摸/手扫/人体红外/遥控/手按开关
●功率:4.2W-13W/米
●LED色温:2900-3100K/4000-4500K/6000-6500K
●表面处理:银白色/黑色等
●认证:CE ROHS CCC
●寿命:35000h
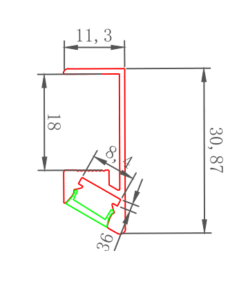
●安装方式:卡18MM板
●放光角度:120°
●材质:铝/PC
●出线:杜邦2米可定制
●尺寸:100-3000MM
详情
特点:
● LED采用人体安全电压12V,
● 光扩散PC强度以及柔性更好,不容易老化发黄;
●选用航空铝材,电泳处理,不变色,美观耐用;
● 面罩使用扩散材料,光线柔和不伤眼睛;
应用场所:
●橱柜/衣柜/吊柜/储物柜/梳妆台/电视柜/走道/珠宝柜/大床等
产品图纸:

产品效果图:


